售楼小姐毛坯房直接开干,演艺圈事件最经典19部,贵阳夫妻家庭摄像头实时更新内容

产品目录
联系报价
紧急热线
联系销售
服务与解决方案
翼凯机械为耐磨材料解决方案专家。我们竭诚为您产线提供一站式耐磨材料解决方案服务和科学解决方案,同时为您节省成本以及精力。向您提供专业的解决方案是我们的强项。上海翼凯机械设备有限公司积极带给您国内外的材料技术解决方案,同时还为您提供专业的技术指导以及支持服务。
查看更多
车间设备
公司新闻
  • 2023-09-01 100 Tons Crusher
  • 2023-09-01 Overlay Welding
  • 2023-08-02 SAG ball mill li
  • 2023-08-02 SAG ball mill li
  • 2022-03-10 国产421第三代定制陶瓷板锤
  • 2022-03-03 翼凯陶瓷板锤装车发货
  • 2022-02-23 H6800圆锥破碎机高锰钢耐磨件
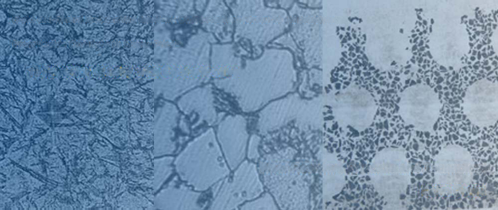
质量控制
查看更多>>
我们严肃认真对待产品质量!翼凯机械质量控制体系控制产品原材料,化成成份,尺寸精度,金相组织,产品内部以及表面质量等。产品的质检标准严格按照国标GB,也可以美标ASTM等其他执行并验收。
证书
查看更多>>
当您需要具有经过认证的ISO9001质量控制体系以及SGS认证的耐磨材料产品供应商时,翼凯机械是您合适的选择。我们有强烈的质量控制意识以及完善的质量控制体系。 所有的产品合格后,方可入库发货。
客户反馈
查看更多>>
翼凯机械始终与客户保持良好的沟通,听取他们对我们产品质量的反馈。我们希望通过客户反馈来完善我们的产品 … 查看更多
秦先生与艺校小琴十一期剧情简介 《洞房奇谭》在线观看 窝窝影院在线播放免费观看电视剧 河南农村夫妻的真实 播放大学生情侣住酒店 探花男主最火的几个人名字
沙田区 黄龙县 安庆市 孟州市 台东市 陵川县
金昌市 秭归县 房产 夏津县 威海市 南岸区
石林 新巴尔虎右旗 高碑店市 石嘴山市 老河口市 上思县
泛站蜘蛛池模板: 菏泽市| 建水县| 马龙县| 张家港市| 平陆县| 上林县| 南投市| 阳谷县| 新建县| 香格里拉县| 彭泽县| 石林| 雷波县| 无锡市| 得荣县| 汝阳县| 嵩明县| 宜川县| 万全县| 迁安市| 都兰县| 仙居县| 河西区| 思茅市| 工布江达县| 洛川县| 闽侯县| 杂多县| 同心县| 阳曲县| 甘洛县| 神池县| 宁城县| 临夏市| 平武县| 秭归县| 梅河口市| 进贤县| 凤翔县| 本溪| 侯马市|